昌晖LCD-QR 智能化防盗型热量积算仪说明书:[2]

 时间:2026-02-12 12:31:16

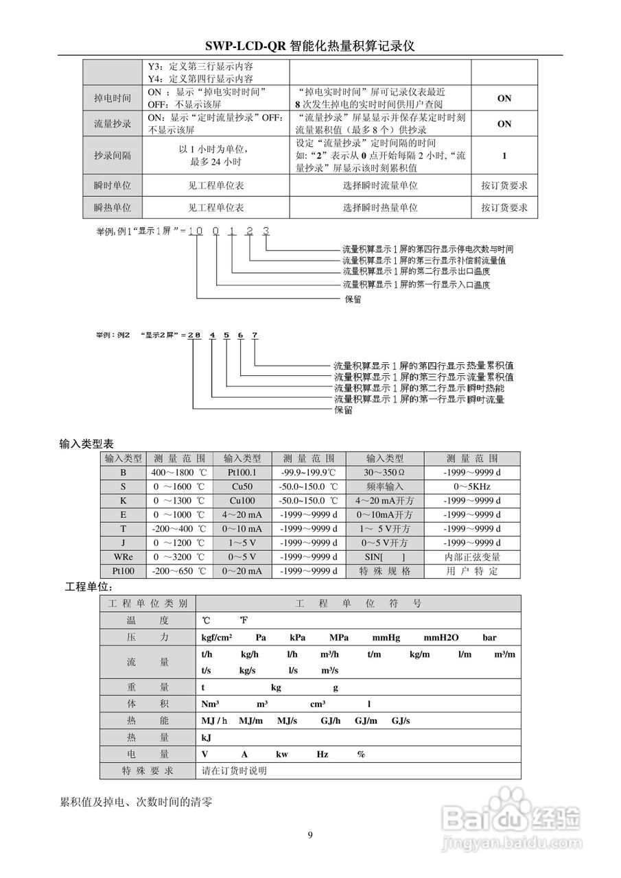
本篇为《昌晖LCD-QR 智能化防盗型热量积算仪说明书》,主要介绍该产品的使用方法以及常见故障解决方案。


昌晖LCD-QR 智能化防盗型热量积算仪说明书:[2]

昌晖LCD-QR 智能化防盗型热量积算仪说明书:[2]

昌晖LCD-QR 智能化防盗型热量积算仪说明书:[2]

昌晖LCD-QR 智能化防盗型热量积算仪说明书:[2]

昌晖LCD-QR 智能化防盗型热量积算仪说明书:[2]

昌晖LCD-QR 智能化防盗型热量积算仪说明书:[2]

昌晖LCD-QR 智能化防盗型热量积算仪说明书:[2]

昌晖LCD-QR 智能化防盗型热量积算仪说明书:[2]

昌晖LCD-QR 智能化防盗型热量积算仪说明书:[2]

昌晖LCD-QR 智能化防盗型热量积算仪说明书:[2]

(共篇)上一篇:|下一篇:
  • SWP-LCD-QR智能化防盗型热量积算记录仪使用说明书:[2]
  • SWP-LCD-QR智能化防盗型热量积算记录仪使用说明书:[3]
  • 昌晖SWP-LCD-NLR智能化防盗型流量/热能积算仪说明书:[2]
  • 昌晖SWP-LCD-NLR智能化防盗型流量/热能积算仪说明书:[7]
  • 昌晖SWP-LCD-NLR智能化防盗型流量/热能积算仪说明书:[4]
  • 热门搜索
    油性皮肤怎么护理 立事牙疼怎么办 媚肉之香攻略 黑咖啡减肥法 苹果4系统怎么升级 口袋妖怪白攻略 我的世界背包怎么做 熬夜能减肥吗 拍婚纱照攻略 瘦身减肥方法