SWP-LCD-QR智能化防盗型热量积算记录仪使用说明书:[2]

 时间:2026-02-15 21:23:54

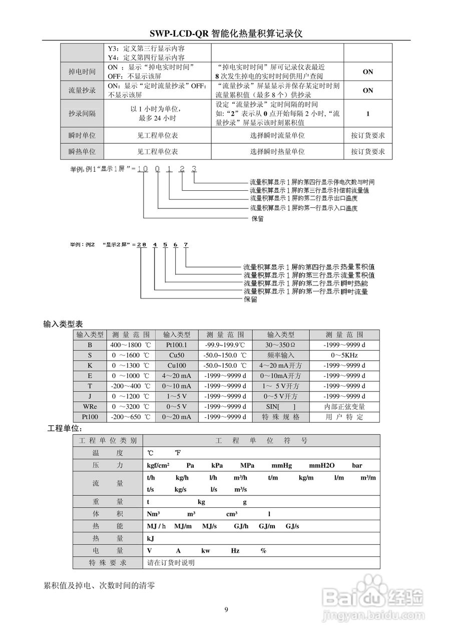
本篇为《SWP-LCD-QR智能化防盗型热量积算记录仪使用说明书》,主要介绍该产品的使用方法以及常见故障解决方案。


SWP-LCD-QR智能化防盗型热量积算记录仪使用说明书:[2]

SWP-LCD-QR智能化防盗型热量积算记录仪使用说明书:[2]

SWP-LCD-QR智能化防盗型热量积算记录仪使用说明书:[2]

SWP-LCD-QR智能化防盗型热量积算记录仪使用说明书:[2]

SWP-LCD-QR智能化防盗型热量积算记录仪使用说明书:[2]

SWP-LCD-QR智能化防盗型热量积算记录仪使用说明书:[2]

SWP-LCD-QR智能化防盗型热量积算记录仪使用说明书:[2]

SWP-LCD-QR智能化防盗型热量积算记录仪使用说明书:[2]

SWP-LCD-QR智能化防盗型热量积算记录仪使用说明书:[2]

SWP-LCD-QR智能化防盗型热量积算记录仪使用说明书:[2]

(共篇)上一篇:|下一篇:
  • SWP-LCD-QR智能化防盗型热量积算记录仪使用说明书:[3]
  • 昌晖SWP-LCD-NLR智能化防盗型流量/热能积算仪说明书:[2]
  • 昌晖SWP-LCD-NLR智能化防盗型流量/热能积算仪说明书:[3]
  • 昌晖SWP-LCD-NLR智能化防盗型流量/热能积算仪说明书:[5]
  • 昌晖SWP-LCD-NLR智能化防盗型流量/热能积算仪说明书:[6]
  • 热门搜索
    番茄炒蛋怎么做好吃 炖鲤鱼的家常做法 血小板高怎么回事 腌辣椒最好吃的做法 家常红烧肉 治脚臭最有效的方法 最安全的避孕方法 我的世界火箭怎么飞 ppt怎么加背景音乐 湖南工程职业技术学院怎么样