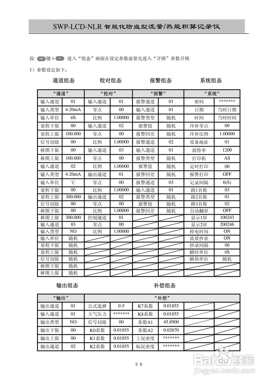
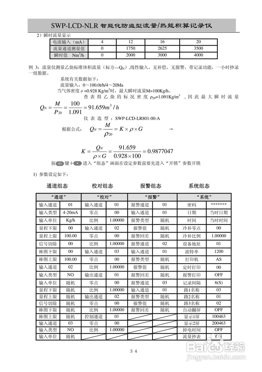
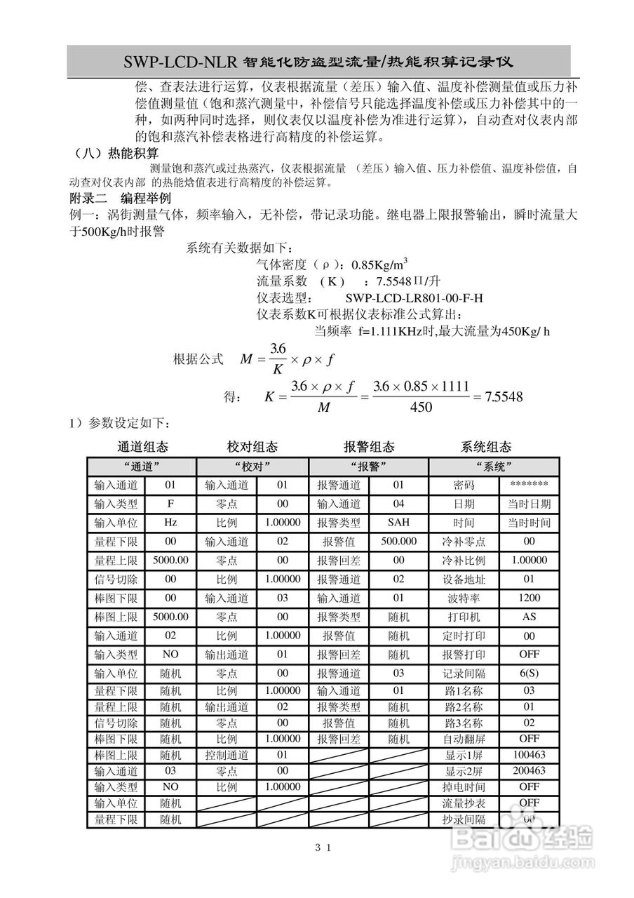
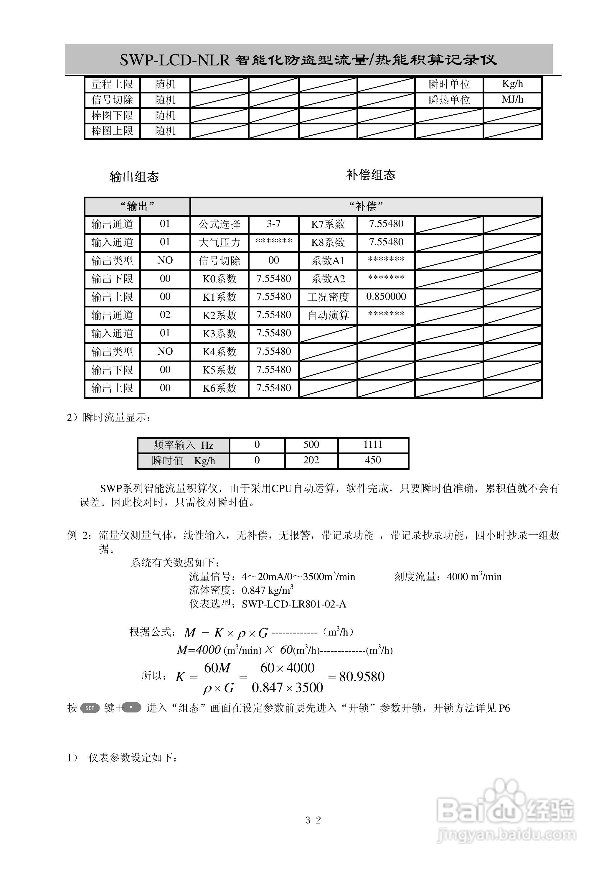
昌晖SWP-LCD-NLR智能化防盗型流量/热能积算仪说明书:[4]

 时间:2026-02-15 21:13:16

本篇为《昌晖SWP-LCD-NLR智能化防盗型流量/热能积算仪说明书》,主要介绍该产品的使用方法以及常见故障解决方案。


昌晖SWP-LCD-NLR智能化防盗型流量/热能积算仪说明书:[4]

昌晖SWP-LCD-NLR智能化防盗型流量/热能积算仪说明书:[4]

昌晖SWP-LCD-NLR智能化防盗型流量/热能积算仪说明书:[4]

昌晖SWP-LCD-NLR智能化防盗型流量/热能积算仪说明书:[4]

昌晖SWP-LCD-NLR智能化防盗型流量/热能积算仪说明书:[4]

昌晖SWP-LCD-NLR智能化防盗型流量/热能积算仪说明书:[4]

昌晖SWP-LCD-NLR智能化防盗型流量/热能积算仪说明书:[4]

昌晖SWP-LCD-NLR智能化防盗型流量/热能积算仪说明书:[4]

昌晖SWP-LCD-NLR智能化防盗型流量/热能积算仪说明书:[4]

昌晖SWP-LCD-NLR智能化防盗型流量/热能积算仪说明书:[4]

(共篇)上一篇:|下一篇:
  • 《UPX Shell》UPX程序脱壳工具介绍及下载
  • 神武怎么烹饪食品
  • 恋爱喵喵在一起游戏攻略
  • 易语言数据报组件怎么使用
  • Windows消息映射机制
  • 热门搜索
    坐飞机行李怎么托运 坚定的近义词 小学生发型女 感冒吃什么药好 甲状腺炎怎么治 感冒能吃螃蟹吗 笔记本蓝屏怎么解决 杭州工艺美术博物馆 男生刘海发型 苦恼的近义词