昌晖LCD-QR 智能化防盗型热量积算仪说明书:[1]

 时间:2026-02-12 13:18:24

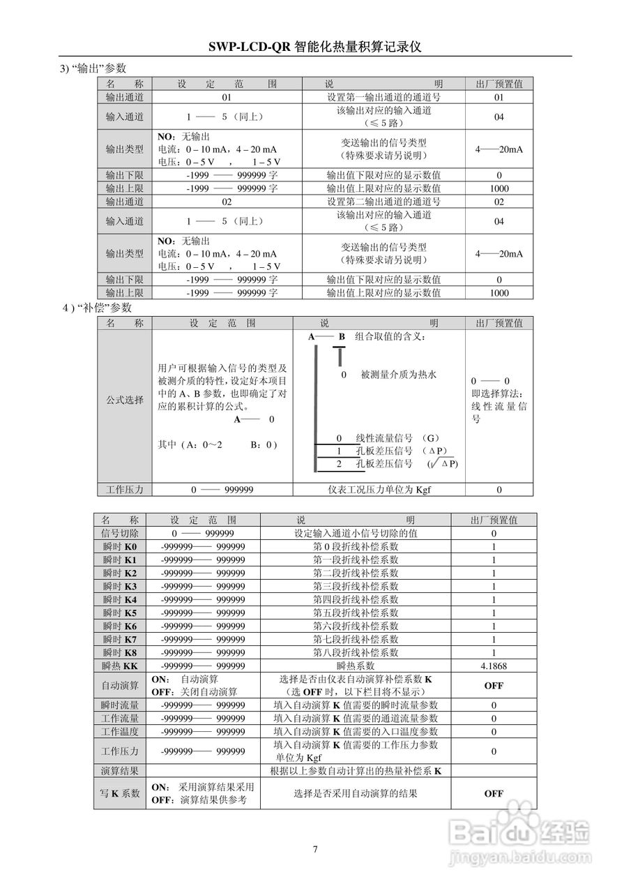
本篇为《昌晖LCD-QR 智能化防盗型热量积算仪说明书》,主要介绍该产品的使用方法以及常见故障解决方案。


昌晖LCD-QR 智能化防盗型热量积算仪说明书:[1]

昌晖LCD-QR 智能化防盗型热量积算仪说明书:[1]

昌晖LCD-QR 智能化防盗型热量积算仪说明书:[1]

昌晖LCD-QR 智能化防盗型热量积算仪说明书:[1]

昌晖LCD-QR 智能化防盗型热量积算仪说明书:[1]

昌晖LCD-QR 智能化防盗型热量积算仪说明书:[1]

昌晖LCD-QR 智能化防盗型热量积算仪说明书:[1]

昌晖LCD-QR 智能化防盗型热量积算仪说明书:[1]

昌晖LCD-QR 智能化防盗型热量积算仪说明书:[1]

昌晖LCD-QR 智能化防盗型热量积算仪说明书:[1]

(共篇)下一篇:
  • SWP-LCD-QR智能化防盗型热量积算记录仪使用说明书:[1]
  • SWP-LCD-QR智能化防盗型热量积算记录仪使用说明书:[2]
  • SWP-LCD-QR智能化防盗型热量积算记录仪使用说明书:[3]
  • 昌晖SWP-LCD-NLR智能化防盗型流量/热能积算仪说明书:[2]
  • 昌晖SWP-LCD-NLR智能化防盗型流量/热能积算仪说明书:[3]
  • 热门搜索
    壶口瀑布旅游攻略 健身减肥餐 梦境侦探攻略 重庆理工大学怎么样 减肥达人 个人复工证明怎么开 张掖旅游攻略 不吃早餐能减肥吗 电信机顶盒怎么设置 有青春痘怎么办