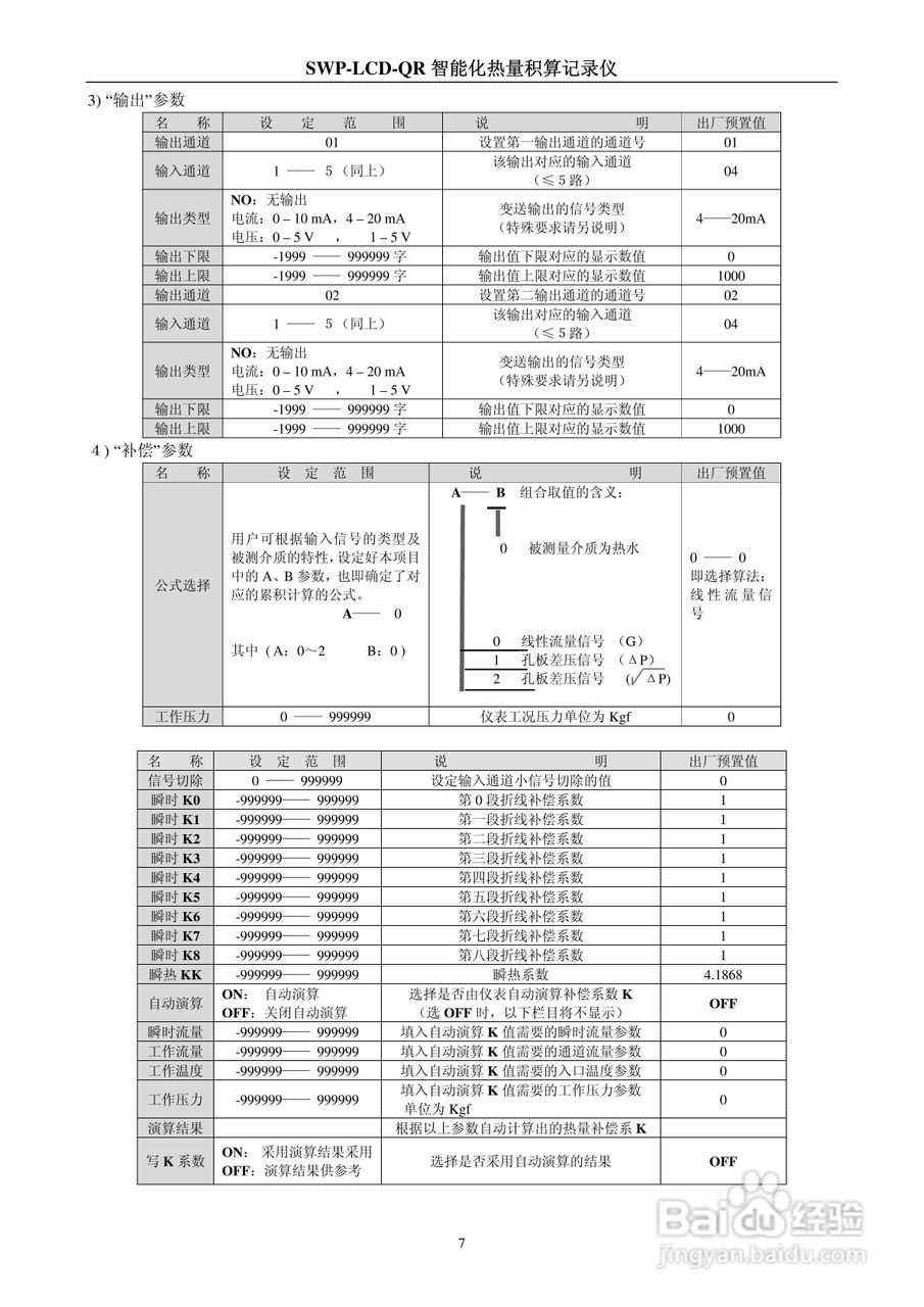
SWP-LCD-QR智能化防盗型热量积算记录仪使用说明书:[1]

 时间:2026-02-15 21:13:16

本篇为《SWP-LCD-QR智能化防盗型热量积算记录仪使用说明书》,主要介绍该产品的使用方法以及常见故障解决方案。


SWP-LCD-QR智能化防盗型热量积算记录仪使用说明书:[1]

SWP-LCD-QR智能化防盗型热量积算记录仪使用说明书:[1]

SWP-LCD-QR智能化防盗型热量积算记录仪使用说明书:[1]

SWP-LCD-QR智能化防盗型热量积算记录仪使用说明书:[1]

SWP-LCD-QR智能化防盗型热量积算记录仪使用说明书:[1]

SWP-LCD-QR智能化防盗型热量积算记录仪使用说明书:[1]

SWP-LCD-QR智能化防盗型热量积算记录仪使用说明书:[1]

SWP-LCD-QR智能化防盗型热量积算记录仪使用说明书:[1]

SWP-LCD-QR智能化防盗型热量积算记录仪使用说明书:[1]

SWP-LCD-QR智能化防盗型热量积算记录仪使用说明书:[1]

(共篇)下一篇:
  • SWP-LCD-QR智能化防盗型热量积算记录仪使用说明书:[2]
  • 昌晖SWP-LCD-NLR智能化防盗型流量/热能积算仪说明书:[1]
  • 昌晖LCD-QR 智能化防盗型热量积算仪说明书:[3]
  • 昌晖SWP-LCD-NLR智能化防盗型流量/热能积算仪说明书:[2]
  • 昌晖SWP-LCD-NLR智能化防盗型流量/热能积算仪说明书:[3]
  • 热门搜索
    我的世界mod怎么安装 眼部除皱的方法 煞笔用英语怎么说 黄疸的治疗方法 嘴唇上长疱疹怎么办 腹肌锻炼方法图解 恢复视力方法 网上赚钱的方法 去斑的方法 重庆周边旅游景点大全