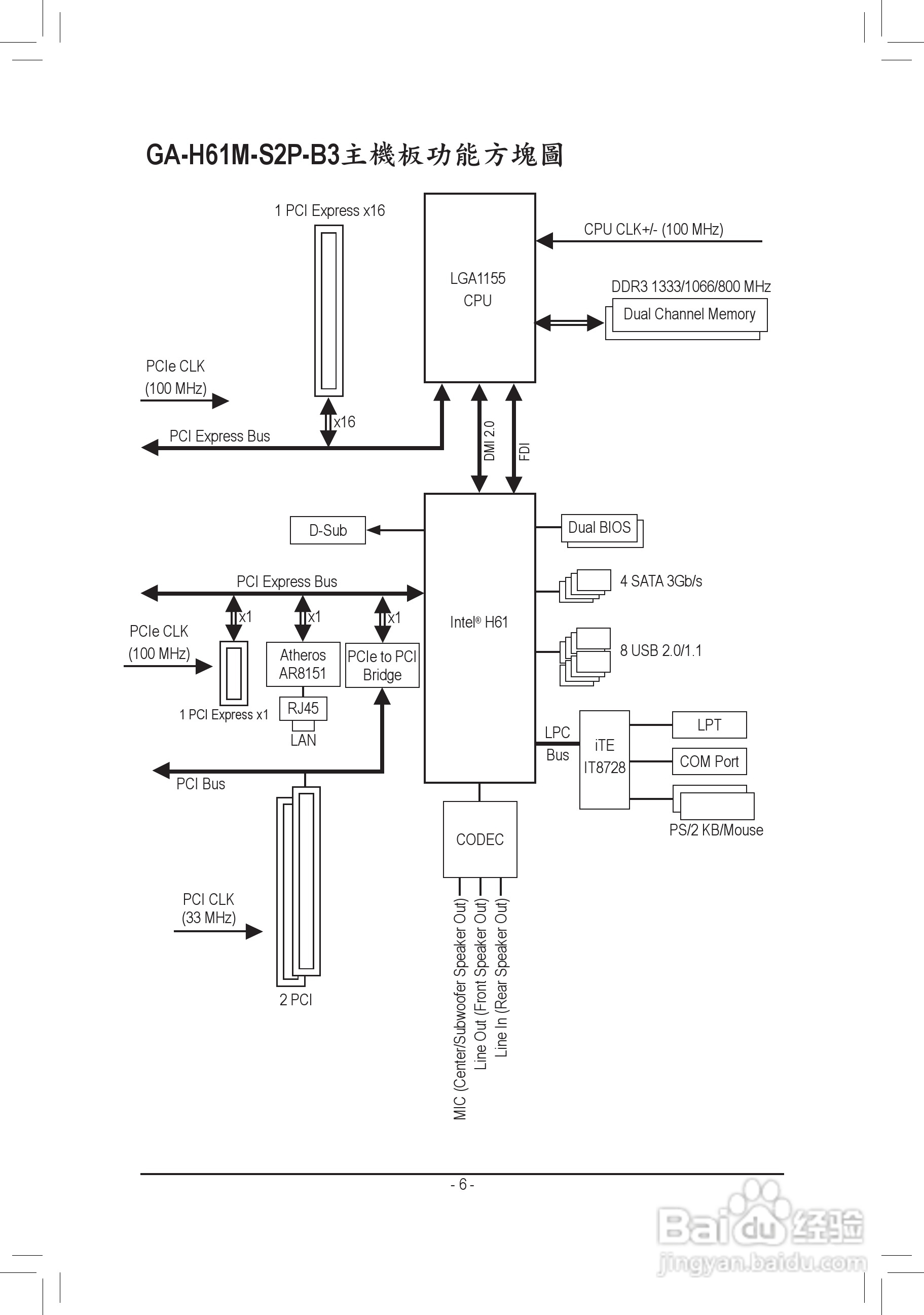
技嘉 GA-H61M-S2P-B3主板使用手册:[1]

 时间:2024-11-15 09:10:41

本篇为《技嘉 GA-H61M-S2P-B3主板使用手册》,主要介绍该产品的使用方法以及常见故障解决方案。

技嘉 GA-H61M-S2P-B3主板使用手册:[1]

技嘉 GA-H61M-S2P-B3主板使用手册:[1]

技嘉 GA-H61M-S2P-B3主板使用手册:[1]

技嘉 GA-H61M-S2P-B3主板使用手册:[1]

技嘉 GA-H61M-S2P-B3主板使用手册:[1]

技嘉 GA-H61M-S2P-B3主板使用手册:[1]

技嘉 GA-H61M-S2P-B3主板使用手册:[1]

技嘉 GA-H61M-S2P-B3主板使用手册:[1]

技嘉 GA-H61M-S2P-B3主板使用手册:[1]

技嘉 GA-H61M-S2P-B3主板使用手册:[1]

  • 技嘉 GA-H61M-S2P-B3主板使用手册:[3]
  • 技嘉 GA-H61M-S2P-B3主板使用手册:[4]
  • 技嘉GA-H61M-USB-B3主機板使用手冊:[1]
  • 技嘉GA-H61M-DS2H主板使用手册:[1]
  • 技嘉GA-H61M-DS2H主板使用手册:[3]
  • 热门搜索
    来例假能吃什么水果 什么的味道作文 梦到亲人去世是什么意思 ing什么意思 种植牙有什么危害 feet是什么意思 威亚是什么 4g全网通是什么意思 蓝色妖姬代表什么 抑郁症发作是什么感觉