海能知识库
网站首页
美食营养
游戏数码
知识问答
生活家居
健康养生
运动户外
职场理财
情感交际
生活百科
生活知识
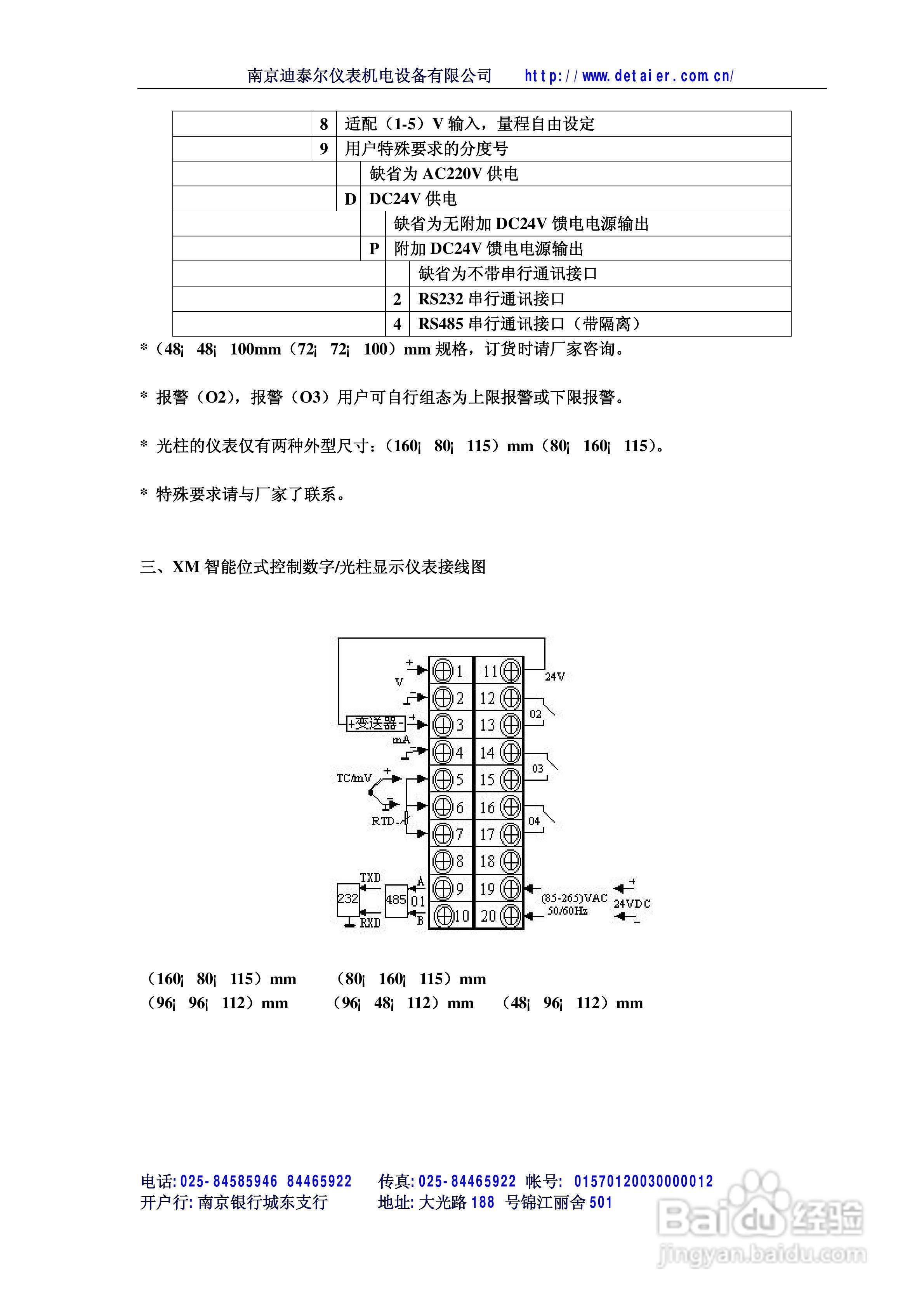
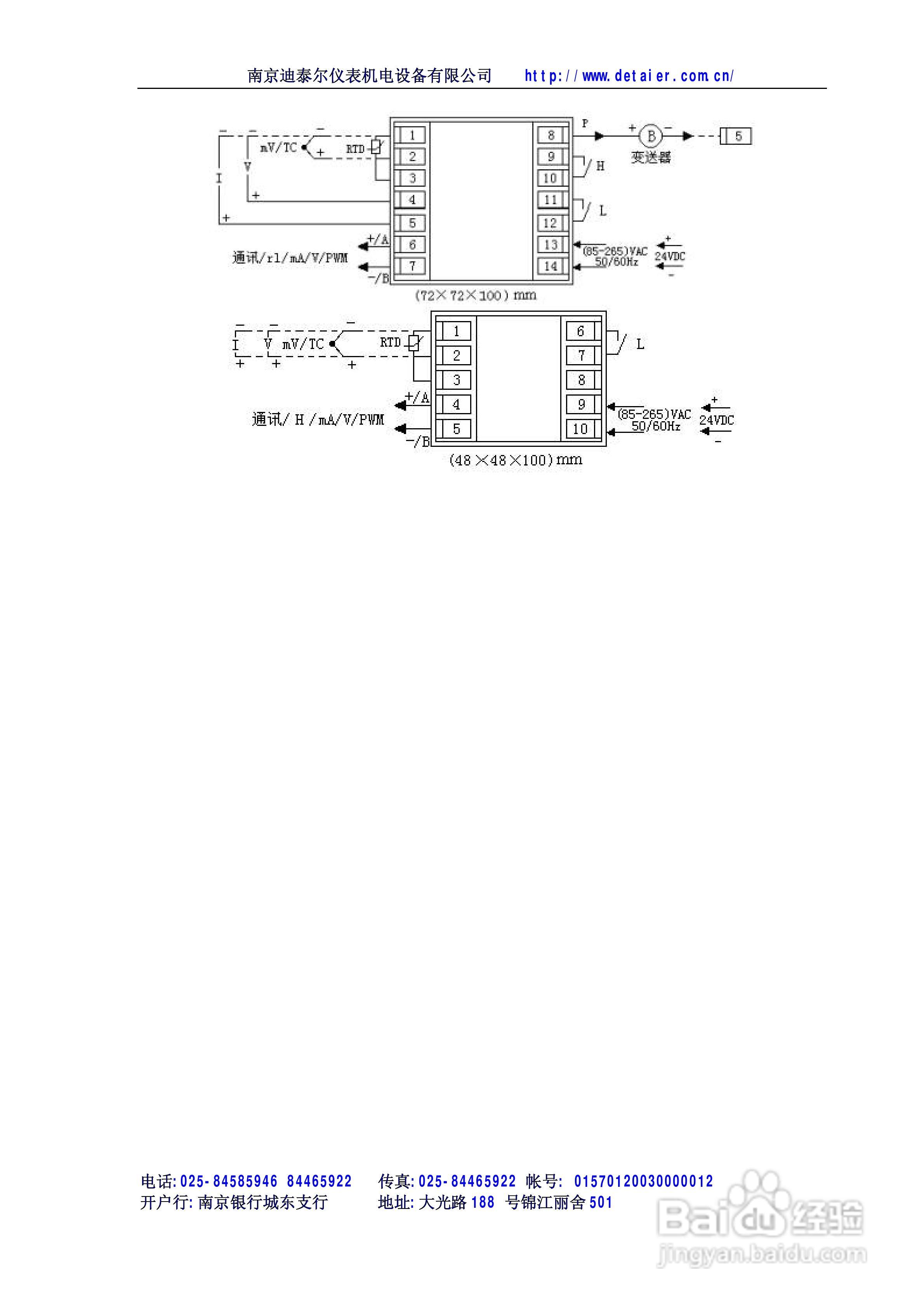
迪泰尔智能位式控制数字光柱显示仪表说明书
时间:2026-02-12 12:02:00
如何正确使用单光柱数显仪
飞创仪表-智能自整定PID调节控制仪表/光柱显示仪表使:[1]
JSDE/F电力测量数字光柱显示仪说明书
飞创仪表-智能自整定PID调节控制仪表/光柱显示仪表使:[3]
飞创仪表-智能自整定PID调节控制仪表/光柱显示仪表使:[2]
热门搜索
小孩长牙有什么症状
婴儿纸尿裤什么牌子好
心灰意冷的意思
女人什么年龄最想要
襁褓的意思
洋洋得意是什么意思
小便短赤是什么意思
沙中土命是什么意思
reverse是什么意思
对祖国的祝福
Copyright © 2026
海能知识库
All Rights Reserved 信息来自网络,所有数据仅供参考,有任何疑问请联系站长