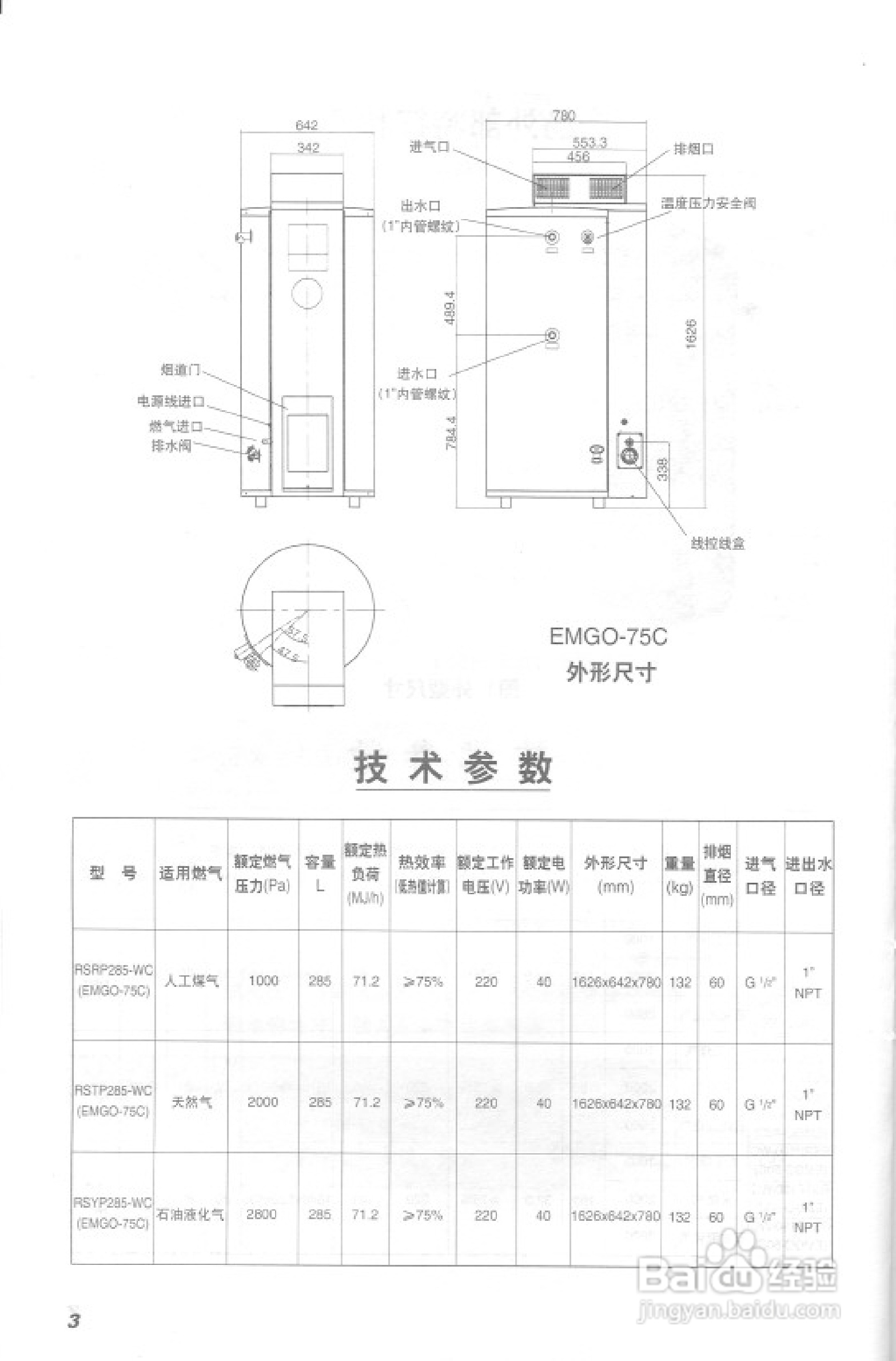
史密斯EMGO-C热水器使用说明书:[1]

 时间:2026-02-17 06:35:21

史密斯EMGO-C热水器使用说明书:[1]

史密斯EMGO-C热水器使用说明书:[1]

史密斯EMGO-C热水器使用说明书:[1]

史密斯EMGO-C热水器使用说明书:[1]

史密斯EMGO-C热水器使用说明书:[1]

史密斯EMGO-C热水器使用说明书:[1]

史密斯EMGO-C热水器使用说明书:[1]

史密斯EMGO-C热水器使用说明书:[1]

史密斯EMGO-C热水器使用说明书:[1]

史密斯EMGO-C热水器使用说明书:[1]

(共篇)下一篇:
  • 必胜客付款码在哪里?
  • 自测甲亢的早期症状
  • qq音乐怎么安装
  • 苏州养老保险个人账户查询的方法
  • 怎么设置ip代理
  • 热门搜索
    月经可以洗头吗 旅游团报名 拉肚子可以喂奶吗 胃炎可以喝酸奶吗 超链接怎么用 哺乳期可以烫头发吗 mg车怎么样 广州旅游攻略 旅游的英文 元芳 你怎么看