雷诺尔JJR-5000智能型软起动器说明书:[4]

 时间:2024-11-01 05:59:10

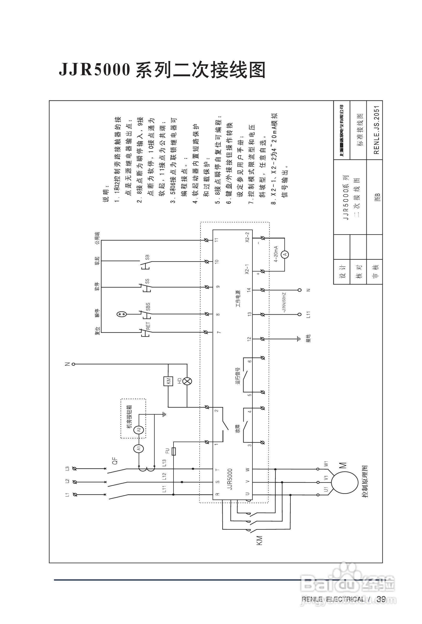
本篇为《雷诺尔JJR颍骈城茇-5000智能型软起动器说明书》,主要介绍该产品的使用方法以及常见故障解决方案。

雷诺尔JJR-5000智能型软起动器说明书:[4]

雷诺尔JJR-5000智能型软起动器说明书:[4]

雷诺尔JJR-5000智能型软起动器说明书:[4]

雷诺尔JJR-5000智能型软起动器说明书:[4]

雷诺尔JJR-5000智能型软起动器说明书:[4]

雷诺尔JJR-5000智能型软起动器说明书:[4]

雷诺尔JJR-5000智能型软起动器说明书:[4]

雷诺尔JJR-5000智能型软起动器说明书:[4]

雷诺尔JJR-5000智能型软起动器说明书:[4]

雷诺尔JJR-5000智能型软起动器说明书:[4]

  • XVR 录像机高频问题专场答疑会
  • 可视对讲系统日常故障怎么解决
  • 教你用软件发WiFi广告
  • 插画教程之丛林里的鸟儿
  • 进口化妆品授权书怎么公证
  • 热门搜索
    运气差怎么办 刨冰怎么做 ps怎么修改图片尺寸 怎么做课件 膈肌痉挛老打嗝怎么办 ps卸载不了怎么办 新浪微博怎么发微博 怎么订机票便宜 房屋产权到期怎么办 一字眉怎么画